一、特点:
SPT-5014系列三相同步电源变压器是为适应用户“更小功率”、“更小体积”之要求而开发出来的新产品,采用阻燃工程塑料外壳经环氧封装而成。结构紧凑、坚固,抗震、防潮、阻燃。其显著特点是:
● 三相同步信号与电源电压为一体;
● 全封闭印刷线路板直接焊接;
● 机械和环境隔离能力强。
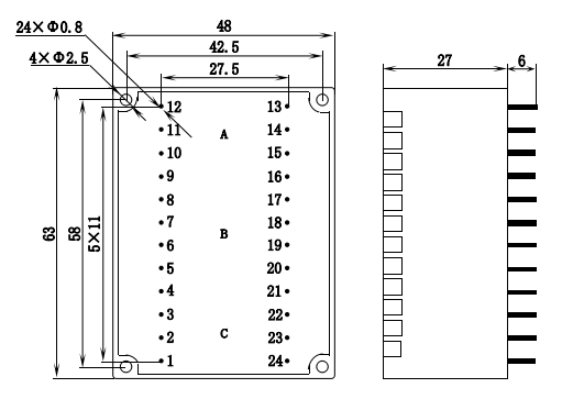
二、外形尺寸及引出端子排列见下图

三、各型号的绕组接线图,输入、输出特性见下述各表
1.SPT-5014-01

2.SPT-5014-02

3.SPT-5014-03

4.SPT-5014-04

四、其它:
本系列三相同步电源变压器空载损耗不大于0.5W;次级输出功率可做到6W;参数可按用户要求设计定制。