一、特点:
1.母线内置,印刷线路板直接焊接安装;
2.体积小巧,结构紧凑,外形美观;
3.全封闭,机械和耐环境性能好,电压隔离能力强,外形美观。
二、使用环境条件:
1.环境温度:-55℃~+85℃;
2.相对湿度:温度为40℃时不大于90%;
3.大气压力:860~1060mbar
(约为650~800mmHg)。
三、工作频率范围:20Hz~20kHz。
四、绝缘耐热等级:B级(130℃)。
五、安全特性:
1.绝缘电阻:常态时大于1000MΩ;
2.抗电强度:可承受工频2kV/1分钟;
3.阻燃性:符合UL94-V0级。
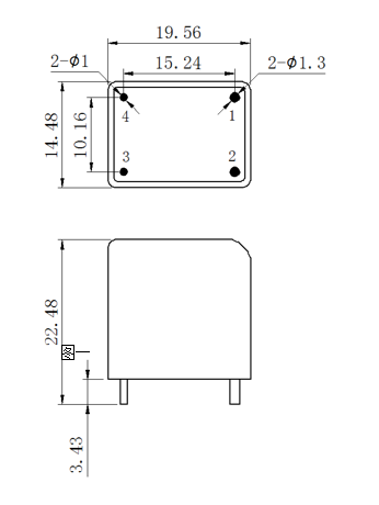
六、外形图、安装尺寸(图一)和线圈图(图二):


图一
七、性能参数:
产品型号 | 额定 输入电流 | 额定 输出电流 | 额定 采样电阻 | 额定 采样电压 | 非线性度 | 相移 |
TA0814-01M | 10A | 10mA | 100Ω | 1V | ≤0.25% | ≤30’ |
TA0814-02M | 10A | 5mA | 400Ω | 2V | ≤0.25% | ≤ 20’ |
八、注意事项:
1.电流互感器初级应串联于被测电流回路中,次级应近似工作于短路状态;
2.电流互感器次级电路不允许开路,所以请不要装熔断器。