一、特点:
1.输入线圈为内置式,印刷线路板直接焊接安装,外形美观;
2.输入输出变比可调,使用方便灵活;
3.体积小,精度高;全封闭,机械和耐环境性好,电压隔离能力强、安全可靠。
二、使用环境条件:
1.环境温度:-55℃~+85℃;
2.相对湿度:温度为40℃时不大于90%;
3.大气压力:860~1060mbar(约为650~800mmHg)。
三、工作频率范围:20Hz~1kHz。
四、绝缘耐热等级:B级(130℃)。
五、安全特性:
1.绝缘电阻:常态时大于1000MΩ;
2.抗电强度:可承受工频2kV50Hz /1分钟;
3.阻燃性:符合UL94-V0级。
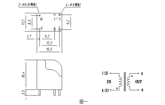
六、外形图、安装尺寸和线圈图:

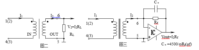
七、典型应用及性能参数:

1.电阻法直接获得采样电压时(图二),性能参数见表一;
2.用IC法获得采样电压时(图三),性能参数见表二;
表一:

表二:

八、注意事项:
1.电流互感器初级应串联于被测电流回路中,次级应近似工作于短路状态;
2.电流互感器次级电路不允许开路,所以请不要装熔断器。