一、特点:
1.输入线圈为内置式,印刷线路板直接焊接安装,外形美观;
2.体积小,精度高;全封闭,机械和耐环境性好,电压隔离能力强、安全可靠。
二、使用环境条件:
1.环境温度:-55℃~+85℃;
2.相对湿度:温度为40℃时不大于90%;
3.大气压力:860~1060mbar(约为650~800mmHg)。
三、工作频率范围:20Hz~20kHz。
四、绝缘耐热等级:B级(130℃)。
五、安全特性:
1.绝缘电阻:常态时大于1000MΩ;
2.抗电强度:可承受工频2kV50Hz /1分钟;
3.阻燃性:符合UL94-V0级。
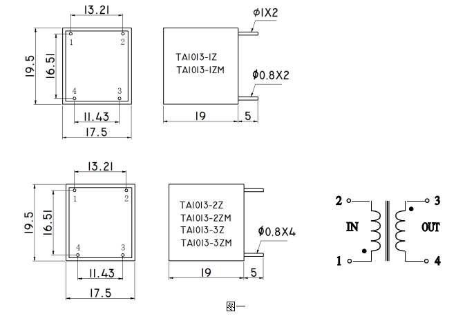
六、外形图、安装尺寸及线圈图:(公差±0.5)

八、典型应用及性能参数:
1.用电阻法直接获得采样电压时(如图二)性能参数见表一;
2.用IC法获得采样电压时(如图三)性能参数见表二;

表一:
产品型号 | 额定 输入电流 | 额定 输出电流 | 额定 采样电阻 RL | 额定 采样电压 | 相移 | 非线性度 | 线性范围 |
TA1013-1Z | 2A | 2mA | 200Ω | 0.4V | ≤30’ | ≤0.2% | ≥2倍额定 |
TA1013-1ZM | 2A | 2mA | 250Ω | 0.5V | ≤40’ | ≤0.25% | |
TA1013-2Z | 1.25A | 2.5mA | 300Ω | 0.75V | ≤20’ | ≤0.2% | |
TA1013-2ZM | 1.25A | 2.5mA | 380Ω | 0.95V | ≤27’ | ≤0.25% | |
TA1013-3Z | 500mA | 5mA | 100Ω | 0.5V | ≤15’ | ≤0.2% | |
TA1013-3ZM | 500mA | 5mA | 125Ω | 0.625V | ≤19’ | ≤0.25% |
表二:
产品型号 | 额定 输入电流 | 额定 输出电流 | 额定采样电压 | 相移 | 非线性度 | 线性范围 |
TA1013-1Z | 2A | 2mA | ≤1/2倍IC电源电压 | ≤5’ | ≤0.1% | ≥2倍额定 |
TA1013-1ZM | 2A | 2mA | ||||
TA1013-2Z | 1.25A | 2.5mA | ||||
TA1013-2ZM | 1.25A | 2.5mA | ||||
TA1013-3Z | 500mA | 5mA | ||||
TA1013-3ZM | 500mA | 5mA |
九、注意事项:
1.电流互感器初级应串联于被测电流回路中,次级应近似工作于短路状态;
2.电流互感器次级电路不允许开路,所以请不要装熔断器。