一、特点:
1.立式穿芯,安装方式灵活,PCB板焊接安装
2.全封闭,机械和耐环境性能好,电压隔离能力强,外形美观;
二、使用环境条件:
1.环境温度:-25℃~+60℃;
2.相对湿度:温度为40℃时不大于90%;
3.大气压力:860~1060mbar(约为650~800mmHg)。
三、工作频率范围:20Hz~20kHz。
四、绝缘耐热等级:B级(130℃)。
五、安全特性
1.绝缘电阻:常态时大于1000MΩ;
2.抗电强度:可承受工频6000V/50Hz/1分钟;
3.阻燃性:符合UL94-Vo级。
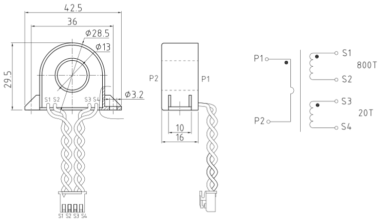
六、外形图、安装尺寸及线圈图图一

图一
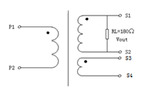
七、典型应用及性能参数:
按图二所示应用时性能参数见下表:
图二
