一、特点:
1.立式穿芯,安装方便;
2.采用标准端子排引出,接线方便;
3.环氧固定,抗震能力强,外形美观。
二、使用环境条件:
1.环境温度:-55℃~+85℃;
2.相对湿度:温度为40℃时不大于90%;
3.大气压力:860~1060mbar(约为650~800mmHg)。
三、工作频率范围:20Hz~1kHz。
四、绝缘耐热等级:B级。
五、安全特性:
1.绝缘电阻:常态时大于1000MΩ;
2.抗电强度:可承受工频3000V/1分钟;
3.阻燃性:符合UL94-Vo级。
4.过载特性:输入5倍额定电流,互感器可以长期工作;
输入10倍额定电流,互感器可以工作十分钟。
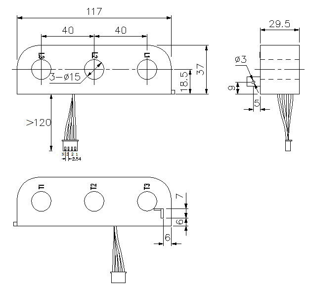
六、外形图、安装尺寸和线圈图:
1.外形及安装尺寸见图一

图一
2.线圈图见图二

图二
七、性能参数:
按图三所示应用时性能参数见下表:
产品型号 | 额定 输入电流 | 额定 输出电压 | 非线性度 |
STA2328-01 | 5A | 0.707V | ≤0.5% |
STA2328-02 | 10A | ||
STA2328-03 | 30A | ||
STA2328-04 | 50A |