一、 概述:
IDB2.5/ON-1S是一款具有延时、软关断保护功能的IGBT驱动模块,单列直插封装,工作频率0~80KHz,占空比范围5%-95%,关断时输出负电平,可靠关断。
二、 原理框图:

三、 电气参数:
3.1极限参数:
项目 | 测试条件 | 数值 | 单位 | |
输入电源电压 | Vp | 25 | V | |
输入脉冲信号幅值 | Vs | 端子1~2之间 | 6 | V |
输出最大功率 | Po | 2.5 | W | |
输出电流 | Ig on | 瞬态峰值 | 6 | A |
Ig off | -6 | A | ||
绝缘耐压 | Viso | AC 50Hz/min | 3.5 | KV |
工作环境温度 | Top | -40~+70 | ℃ | |
储藏温度 | Tst | -50~+125 | ℃ | |
3.2电气特性:
参数 | 符号 | 测试条件 | 最小值 | 典型值 | 最大值 | 单位 |
输入电源电压 | Vp | 24 | V | |||
输入信号幅值 | Vs | 5 | V | |||
输入信号电流 | Is | 10 | mA | |||
输出电压 | Vo+ | CL=100nF | 14 | V | ||
Vo- | -8 | |||||
输出电流 | Io+ | 6 | A | |||
Io- | -6 | |||||
栅极电阻 | Rg | 2 | Ω | |||
输出电荷 | Qout | 4 | μC | |||
工作频率 | Fop | 0 | 80 | kHz | ||
输出功率 | Po | 2.5 | W | |||
占空比 | δ | 5 | 95 | % | ||
开通延迟 | Tod | CL=100nF | 750 | nS | ||
关断延迟 | Tsd | CL=100nF | 700 | |||
上升延迟 | Trd | CL=60nF | 1.5 | uS | ||
下降延迟 | Tfd | CL=60nF | 1.2 | |||
保护阈值 | Vocp | 6.0 | V | |||
盲区时间 | Tb | 600 | nS | |||
延迟压降 | Vd | 4 | V | |||
延迟时间 | Td | 2.0 | uS | |||
软关断时间 | Ts | 1.8 | uS | |||
再启动时间 | Tr | 1.4 | mS | |||
故障信号延迟时间 | Ta | 680 | nS |
四、 尺寸结构:
4.1外形尺寸:

4.2引脚定义:
引脚序号 | 引脚符号 | 引脚功能描述 |
1 | PWM | 驱动信号输入端 |
2 | GND | 驱动信号输入地 |
3、4 | 空脚 | |
5 | ALM | 故障信号输出端,低电平有效 |
6 | ROCP | 过流保护阈值调整端 |
7 | Delay | 延时时间调整端 |
8 | Blind | 保护盲区时间调整端 |
9 | Reset | 故障保护重启时间调整端 |
10 | Soft | 保护软关断时间调整端 |
11 | OCP | 过流检测输入端 |
12 | COM | 内部电源公共端 |
13 | VCC | 内部电源正端 |
14 | VEE | 内部电源负端 |
15、16 | VO | 驱动输出端 |
五、 保护参数调节:
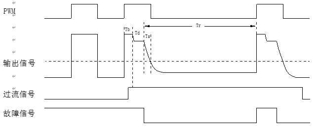
波形图

5.1保护阈值调节:
阈值电压Vn是指过流保护时检测端的电压,电阻Rn、Rp可以调节阈值大小。
Rn(KΩ) | - | 100 | 47 | 20 |
Vn(V) | 6.0 | 5 | 4 | 2.6 |
Rp(KΩ) | - | 100 | 47 | 20 |
Vn(V) | 6.0 | 7.2 | 8.2 | 10 |
5.2延迟时间调节:
延迟时间Td是指栅极电压开始下降到软关断开始之间的时间,电容Cd可以调节延迟时间。
Cd(nF) | - | 47 | 100 | 150 | 220 |
Td(μS) | 0.6 | 2.0 | 4.0 | 5.4 | 7.5 |
5.3软关断时间调节:
软关断时间Ts是指过流或短路时,输出驱动信号电压下降到0V的时间,电容Cs可以调节软关断时间。
Cs(nF) | - | 2.2 | 4.7 | 10 |
Ts(μS) | 1.1 | 2.4 | 3.4 | 7.4 |
5.4盲区时间调节:
盲区时间Tb是指检测到过流或保护后到栅极电压开始下降的时间,可以避免各种干扰对模块的影响,电容Cb可以调节盲区时间。
Cb(pF) | - | 47 | 68 | 100 | 150 | 220 |
Tb(μS) | 0.6 | 1.5 | 2.2 | 3.1 | 4.2 | 5.8 |
5.5再启动时间调节:
再启动时间Tr是指过流保护软关断输出驱动信号到驱动模块再次启动输出驱动信号的时间,电容Cr可以调节再启动时间。
Cr(nF) | - | 1 | 2.2 | 10 |
Tr(mS) | 1.0 | 1.5 | 2.2 | 5.4 |
六、 应用参考电路:

七、 注意事项:
1.驱动板输出功率可用公式Po=2Q*f*△V计算。Q为IGBT所需的驱动电荷;△V为驱动电压的绝对值。
2.IGBT的驱动走线应尽量短。
3.调节参数时外接的器件要尽量靠近驱动板,注意取值范围,不宜超出推荐范围。
4.如果不需要短路保护或是调试时要去掉短路保护,可在11和12之间加一个4.7K左右的电阻。