一、特点:
1.全封闭高压硅胶软线引出,底板固定安装,使用方便、外形美观;
2.结构紧凑、坚固、抗振、防潮、阻燃;
3.空载电流小,功率因数高,输入过电压范围宽;
4.抗电强度高达35KV。
二、使用环境条件:
1.环境温度:-25℃~+70℃;
2.相对湿度:温度为40℃时不大于90%;
3.大气压力:860~1060mbar (约为650~800mmHg)
三、绝缘耐热等级:B级(130℃)
四、安全特性:
1.绝缘电阻:常态时大于1000MΩ;
2.抗电强度:可承受工频35KV/1分钟;
3.抗电冲击:可承受脉冲6KV/50μS连续20次冲击;
4.阻燃性:符合UL94-Vo级;
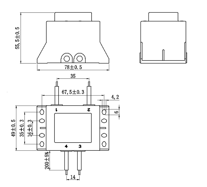
五、外形尺寸及安装尺寸见下图:

六、现有型号参数表:
1.SG3505-01

七、本系列产品为定制产品,如需其他参数可按用户要求设计。