一、特点:
1.全封闭印刷线路板直接焊接安装、使用方便、外形美观;
2.结构紧凑、坚固、抗振、防潮、阻燃、抗电强度高;
3.输入电压高,体积小、功率密度大;
二、使用环境条件
1.环境温度:-25℃~+70℃;
2.相对湿度:温度为40℃时不大于90%;
3.大气压力:860~1060mbar(约为650~800mmHg)
三、绝缘耐热等级:B级(130℃)
四、安全特性:
1.绝缘电阻:常态时大于1000MΩ
2.抗电强度:优于GB/T15290标准要求;
3.阻燃性:符合UL94-Vo级;
4.抗电冲击:可承受脉冲6kV/50μs连续10次冲击;
五、安全认证:CE、
六、额定功率:10VA
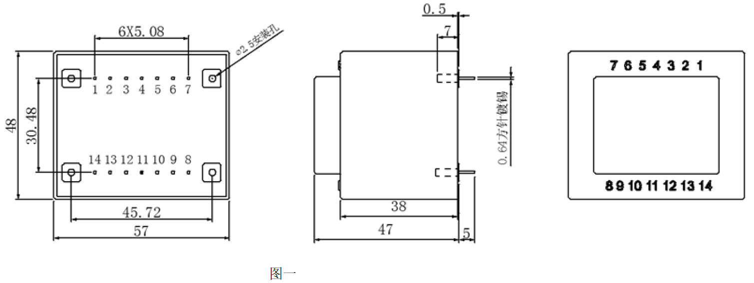
七、外形图、安装尺寸及引脚位置:

八、现有型号参照表:
1.HV1210-01

2.HV1210-02

九、本系列产品参数为定做,参数可按照客户要求设计。