一、特点:
1.卧式穿芯,印刷线路板直接焊接安装、外形美观;
2.全封闭,机械和耐环境性能好,电压隔离能力强,精度高,安全可靠。
二、使用环境条件:
1.环境温度:-55℃~+85℃;
2.相对湿度:温度为40℃时不大于90%;
3.大气压力:860~1060mbar(约为650~800mmHg)。
三、工作频率范围:20Hz~20kHz。
四、绝缘耐热等级:B级(130℃)。
五、安全特性:
1.绝缘电阻:常态时大于1000MΩ;
2.抗电强度:可承受工频6kV50Hz/1分钟;
3.阻燃性:符合UL94-V0级。
六、外形图、安装尺寸(图一)及线圈图(图二):

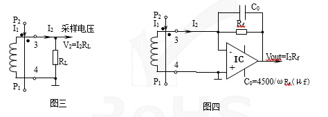
七、典型应用及性能参数:
1.用电阻法直接获得采样电压时(图三)性能参数见表一;
2.用IC法获得采样电压时(图四)性能参数见表二;

表一
产品型号 | 额定 输入电流 | 额定 输出电流 | 额定 采样电阻 RL | 额定 采样电压 | 相移 | 非线性度 | 线性范围 |
TA1321-1K | 10A | 25mA | 32Ω | 0.8V | ≤30’ | ≤0.2% | ≥2倍额定 |
TA1321-1KM | 10A | 25mA | 40Ω | 1.0V | ≤37’ | ≤0.25% | |
TA1321-2K | 10A | 10mA | 200Ω | 2.0V | ≤20’ | ≤0.2% | |
TA1321-2KM | 10A | 10mA | 250Ω | 2.5V | ≤25’ | ≤0.25% | |
TA1321-3K | 20A | 10mA | 300Ω | 3.0V | ≤15’ | ≤0.2% | |
TA1321-3KM | 20A | 10mA | 375Ω | 3.75V | ≤19’ | ≤0.25% | |
TA1321-4K | 30A | 6mA | 500Ω | 3.0V | ≤12’ | ≤0.2% | ≥1.5倍额定 |
TA1321-4KM | 30A | 6mA | 625Ω | 3.75V | ≤15’ | ≤0.25% | |
TA1321-5K | 40A | 50mA | 20Ω | 1.0V | ≤15’ | ≤0.2% | |
TA1321-5KM | 40A | 50mA | 25Ω | 1.25V | ≤19’ | ≤0.25% | |
TA1321-6K | 20A | 25mA | 20Ω | 0.5V | ≤20’ | ≤0.2% | |
TA1321-6KM | 20A | 25mA | 25Ω | 0.625V | ≤25’ | ≤0.25% |
表二:
产品型号 | 额定 输入电流 | 额定 输出电流 | 额定采样电压 | 相移 | 非线性度 | 线性范围 |
TA1321-1K | 10A | 25mA | ≤1/2倍IC电源电压 | ≤5’ | ≤0.1% | ≥2倍额定 |
TA1321-1KM | 10A | 25mA | ||||
TA1321-2K | 10A | 10mA | ||||
TA1321-2KM | 10A | 10mA | ||||
TA1321-3K | 20A | 10mA | ||||
TA1321-3KM | 20A | 10mA | ||||
TA1321-4K | 30A | 6mA | ||||
TA1321-4KM | 30A | 6mA | ||||
TA1321-5K | 40A | 50mA | ||||
TA1321-5KM | 40A | 50mA | ||||
TA1321-6K | 20A | 25mA | ||||
TA1321-6KM | 20A | 25mA |
八、注意事项:
1.电流互感器初级应串联于被测电流回路中,次级应近似工作于短路状态;
2.电流互感器次级电路不允许开路,所以请不要装熔断器。