一、特点:
体积小巧,带载能力强;开合式设计,安装使用方便,广泛应用于电力运维及电力项目改造。
二、使用环境条件:
1.使用温度:-20℃~+50℃;
2.相对湿度:温度为40℃时不大于90%;
3.大气压力:860~1060mbar(约为650~800mmHg)。

三、工作频率范围:50Hz~1kHz。
四、绝缘耐热等级: B 级(130℃)。
五、安全特性:
1.绝缘电阻:常态时大于100MΩ;
2.抗电强度:可承受工频2KV/50Hz/1分钟;
3.阻燃性:符合UL94-Vo级。
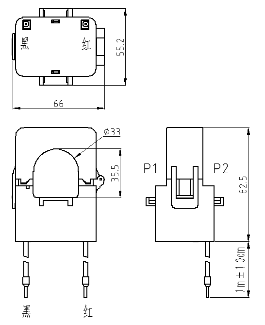
六、外形图、安装尺寸(图一)及线圈图(图二):(公差±0.5)
图一 图二
七、典型应用及性能参数:
按上图三所示应用时性能参数见下表
图三
产品型号 | 额定输入电流 | 额定输出电流 | 额定功率 | 精度等级 | 穿心匝数 | 耐压(kV) |
TAK033-01 | 300A | 5A | 1VA | 1级 | 1 | ≥2 |
TAK033-02 | 400A | 5A | 1VA | 1级 | 1 | ≥2 |
TAK033-03 | 500A | 5A | 1.5VA | 0.5级 | 1 | ≥2 |
TAK033-04 | 600A | 5A | 1.5VA | 0.5级 | 1 | ≥2 |
九、注意事项:
1.电流互感器初级应串联于被测电流回路中,次级应近似工作于短路状态。
2.电流互感器次级电路不允许开路,所以请不要装熔断器。