一、特点
1.采用立式穿芯方式接线端子引出;
2.外形小巧、美观;
3.用于测量交流、直流、脉动电流;
4.采用全封闭结构,高隔离耐压;
5.高机械强度,耐高温、高湿环境;
6.开环霍尔效应原理,响应速度快。
二、使用环境条件
1.工作环境温度:-40℃~+85℃;
2.存储环境温度:-40℃~+85℃;
3.相对湿度:温度为40℃时≤90%,无结露;
4.大气压力:860~1060mbar (约为650~800mmHg)。
三、安全特性:
1.绝缘电阻:常态时大于1000MΩ;
2.抗电强度:可承受工频4000V/1分钟;
3.阻燃性:符合UL94-V0级标准;
4.绝缘耐热等级:A级(105℃)。
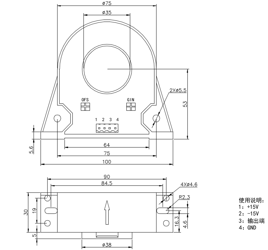
四、外形图及安装尺寸:如下图所示(单位: mm)

五、性能参数
型号 技术参数 | HS35-300A-C | HS35-500A-C | HS35-800A -C | HS35-1000A-C | HS35-1500A-C | HS35-2000A-C |
额定输入电流 IPN | 300A | 500A | 800A | 1000A | 1500A | 2000A |
测量范围 IPM | 0~±600A | 0~±1000A | 0~±1600A | 0~±2000A | 0~±3000A | 0~±3000A |
额定输出电压 VSN | ±4V | |||||
工作电压 | ±15V DC(±5%) | |||||
消耗电流 | 25mA | |||||
精度 | <±1%(@Ta=25℃) | |||||
线性度 | <±1%(@Ta=25℃) | |||||
零点失调电压 | <±20mV(@Ip=0 Ta=25℃) | |||||
磁滞误差 | <±10mV(@Ip=0 Ta=25℃) | |||||
响应时间 | <10μs | |||||
负载电阻 | ≥10kΩ | |||||
绝缘耐压 | 3KV有效值/50Hz/1分钟 | |||||
温度漂移 | <±500ppm/℃(@Ta=-40~85℃) | |||||
六、使用说明和注意事项
1.为了在输出端获得正向输出电压,输入电流必须按箭头指示方向流动。
2.使用时先接好负载及接通工作电压(±15V),然后再接通输入电流。
3.副边连接:
+:+15VDC
-:-15VDC
VO:输出端
GND:±15V电源相对零点
七、典型应用
● 直流变频调速,伺服电机
● 开关电源,不间断电源
● 逆变器电源
● 汽车电子
● 电焊机电源