一、特点:
1.立式穿芯,安装方式灵活,既可固定于母线上,又可固定在底板上;
2.可配用多种型式的母线,如扁排式、圆形母线或电缆线;
3.输出端子为标准插座,并配套供应插头,使用方便;
4.全封闭,机械和耐环境性能好,电压隔离能力强、外形美观。
二、使用环境条件:
1.环境温度:-55℃~+55℃;
2.相对湿度:温度为40℃时不大于90%;
3.大气压力:860~1060mbar(约为650~800mmHg)。
三、工作频率范围:20Hz~1kHz。
四、绝缘耐热等级:B级 (130℃)。
五、安全特性:
1.绝缘电阻:常态时大于1000MΩ;
2.抗电强度:可承受工频6kV50Hz/1分钟;
3.阻燃性:符合UL94-V0级。
六、外形图、安装尺寸和线圈图:
1.外形图、安装尺寸见图一:

2.线圈图见图二:

● 说明:
每只产品配套供给一个插头、四个底板支脚和两个母线支脚,祥见安装说明。
3.安装说明
● 往底板上固定时:取四只不带铆装螺母的支脚(随产品配套供应)按图三所示插入底板支脚插孔。插到底时,安装孔中心距为42.5×52;支脚安装孔径为Φ5.0;可用M4螺钉将互感器固定在底板上。
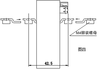
● 往母线上固定时:取两只带M4铆装螺母的支脚(随产品配套供应)按图四所示插入母线支脚插孔中,插到底时铆装母中心距为42.5可在母线适当位置打上盲孔,用M4螺钉将互感器固定在母线上。

七、性能参数:
按图五所示应用时性能参数见下表:

产品型号 | 额定 输入电流 | 额定 输出电流 | 额定 采样电阻 RL | 额定 采样电压 | 相移 | 非线性度 | 线性范围 | 耐压 (kV) |
TA4566-1 | 100A | 0.1A | 30Ω | 3V | ≤30’ | ≤0.5% | 5倍额定 | ≥6 |
TA4566-2 | 200A | 0.1A | 60Ω | 6V | ≤30’ | |||
TA4566-3 | 300A | 0.1A | 90Ω | 9V | ≤25’ | |||
TA4566-4 | 400A | 0.1A | 120Ω | 12V | ≤25’ | ≤0.5% | 3倍额定 | ≥6 |
TA4566-5 | 500A | 0.1A | 150Ω | 15V | ≤20’ | |||
TA4566-6 | 600A | 0.1A | 180Ω | 18V | ≤20’ |
● 说明:
a.实际应用中,采样电阻应小于或等于上表给出的额定值,这样会改善非线性度和相移;
b.若用户需要的变流比与上述不同,可按用户要求订制。
八、注意事项:
1.电流互感器初级应串联于被测电流回路中,次级应近似工作于短路状态;
2.电流互感器次级回路在工作时不允许开路,所以请不要装熔断器。