一、特点:
1.直接固定在5×40扁排式母线上;
2.全封闭,机械和耐环境性好,电压隔离能力强,精度高,安全可靠。
二、使用环境条件:
1.环境温度:-55℃~+55℃;
2.相对湿度:温度为40℃时不大于90%;
3.大气压力:860~1060mbar (约为650~800mmHg)。
三、工作频率范围:20Hz~1kHz
四、绝缘耐热等级:B级 (130℃)
五、安全特性:
1.绝缘电阻:常态时大于1000MΩ;
2.抗电强度:可承受工频6kV50Hz/1分钟;
3.阻燃性:符合UL94-V0级。
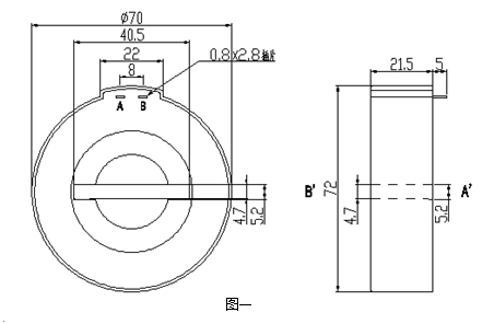
六、外形图、安装尺寸及线圈图:见下图一
1.外形图、安装尺寸见图一:

2.线圈图见图二:

七、典型应用及性能参数:
按图三所示应用时性能参数见下表。
产品型号 | 额定 输入电流 | 额定 输出电流 | 额定 采样电阻 | 额定 采样电压 | 相移 | 非线性度 | 线性范围 |
TA5062-01 | 600A | 0.1A | 100Ω | 12V | ≤30’ | ≤0.5% | 2.5倍额定 |
TA5062-02 | 600A | 0.2A | 25Ω | 6V | ≤30’ | ≤0.5% |
● 说明:
a. 实际应用中,采样电阻应小于或等于上表给出的额定值,这样会改善非线性度和相移;
b. 若用户需要的变流比与上述不同,可按用户要求订制。
八、注意事项:
1.电流互感器初级应串联于被测电流回路中,次级应近似工作于短路状态;
2.电流互感器次级电路不允许开路,所以请不要装熔断器。