一、特点:
1.立式穿芯,安装方式灵活,既可固定于母线上,又可固定在底板上;
2.适用于保护的场合。
二、使用环境条件:
1.环境温度:-55℃~+85℃;
2.相对湿度:温度为40℃时不大于90%;
3.大气压力:860~1060mbar(约为650~800mmHg)。
三、工作频率范围:20Hz~20kHz。
四、绝缘耐热等级:B级(130℃)。
五、安全特性:
1.绝缘电阻:常态时大于1000MΩ;
2.抗电强度:可承受工频6kV/50Hz/1分钟;
3.阻燃性:符合UL94-V0级。
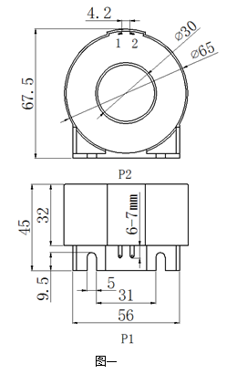
六、外形图、安装尺寸及线圈图:
1.外形图、安装尺寸见图一:

2.线圈图见图二:

七、典型应用及性能参数:
按图三所示应用时性能参数见下表。

型号 | 参数 | 额定 输入电流 | 额定 输出电压 | 精度 | 额定负载 | 过载能力 |
TAR3659-1 | 1A:3mV | 40A | 0.12V | 0.5% | 12kΩ | 10倍 |
注意:此系列互感器用于防爆系统保护的系统中;
● 说明:
a.实际应用中,采样电阻应等于上表给出的额定值;
b.若用户需要的变流比与上述不同,可按用户要求订制。