
(TA3241系列)
特点: 1.可测量主回路电流为40A以下系统中的漏电流; 2.全封闭,机械和耐环境性能好,电压隔离能力强,安全可靠; 3.软线输出,使用方便灵活。

(TAR15626系列)
特点: 1.可测量主回路电流为400A以下系统中的零序电流; 2.全封闭,机械和耐环境性能好,电压隔离能力强,安全可靠; 3.软线输出,使用方便灵活。

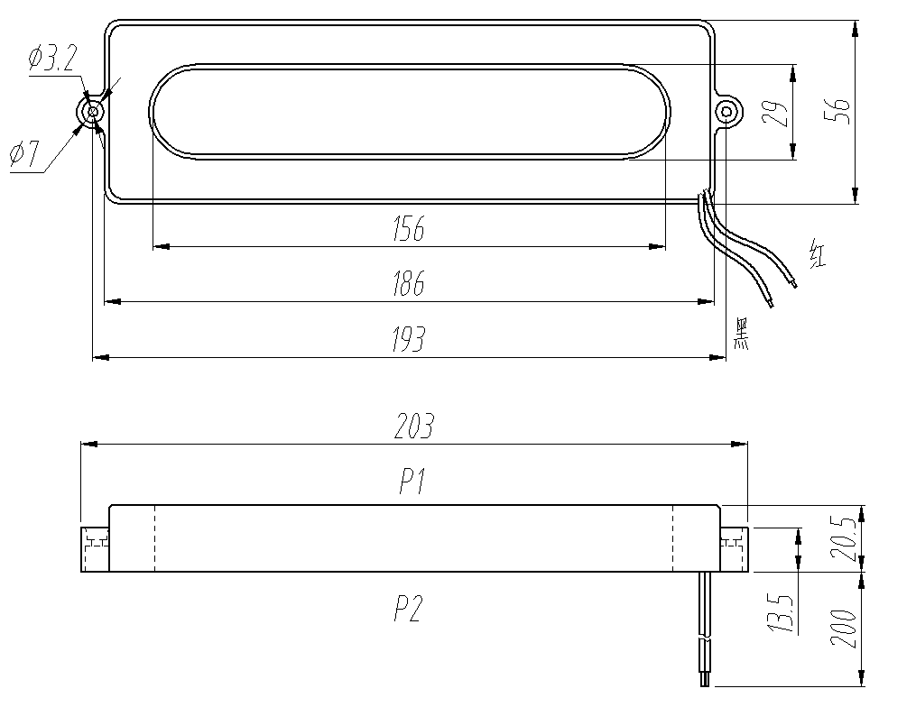
(TAR21642系列)
特点: 1.可测量主回路电流为630A以下系统中的零序电流; 2.全封闭,机械和耐环境性能好,电压隔离能力强,安全可靠; 3.软线输出,使用方便灵活。